SBW-KC系列开采设备专用稳压器:因工程施工的特殊性,在施工过程中,由于相对条件的限制,无法将10KV及以上高压电直接输送到矿井及隧道中,当矿井、隧道施工到数百米以后的用电现场就会出现一些380v电压无法让设备电机正常启动正常运转的原因,根据此类情况、结合高压输变电原理我公司专门研发设计一款开采专用稳压器,可满足数百甚至上千米以外的380v到660V动力设备正常运转工作。
应用范围:此款开采设备专用稳压器可广泛应用于、隧道开采、矿用设备、铁道铺设、野外远程作业、施工等场所。

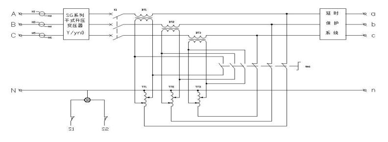
一、工作原理简介:
先根据矿井及隧道施工现场压降情况将电压升高进行高压输送电,到现场后再进行降压然后再经过AD真有效值采样模块实时检测电压信号经过真有效值控制电路芯片转换高速精密运算同时触发控制系统高速比较器将信号输送至CPU单片机控制系统根据wenkechina预先设定的参数驱动控制伺服驱动单元触发伺服电路调节系统从而改变补偿电路电压的增减,达到稳定的输出电压。 
二、主要技术参数:
型 号 指 标 | SBW-KC系列 开采设备专用稳压器 | |
输 入 特 性 | 输入电压范围(VAC) | 常规产品:三相(线电压)380V±20% (即:304V-456V) |
频 率(Hz) | 50Hz/60HZ | |
相数 | 3Ø(三相五线制) | |
输 出 特 性 | 输出电压(VAC) | 常规产品380V±1到5%可任意设定输出电压 |
额定容量 | 此系列具备容30KVA到3000KVA | |
工作频率(Hz) | 50Hz/60Hz | |
响应速度 | 输入电压相对于额定值跃变在±10%时稳定时间小于1s | |
波形 | 输出电压波形与输入电压波形相比较,其相对谐波含量的增量≤1%。 | |
过载能力 | 过载60%情况下,持续时间≥5min | |
效率 | ≥98% | |
其 它 特 性 | 显示功能 | 能显示输入输出电压、输出电流值,及故障告警状态指示等。 |
显示方式 | 指针显示、LED数码显示、LCD液晶屏显示(可选配置) | |
告警及保护功能 | 具有延时输出,过压、欠压、过载、短路、过热、缺相、逆相等告警及保护功能,及故障有条件自动转旁路功能,并在故障恢复后,能够自动恢复稳压供电。 | |
工作温度(℃) | -15℃+55℃ | |
耐压及绝缘 | 耐压2000V电压一分钟无击穿无弧;绝缘>5MΩ 。 | |
相对湿度(RH) | 10%-90% | |
海拔高度 | ≤1500M,1500~4000M之间根据国标GB/T3859.2,每增加100M功率降低1%。 | |
噪音(dB) | <55dB | |
执行标准 | 整机执行标准为 JB\T 7067—2002 , 温升限值符合GB6450-86标准。 | |
型 号 规 格 | 容量KVA | 电流(A) | 产品尺寸(cm) 宽*深*高 | 毛 重(kg) |
SBW-KC-30KVA | 30 | 45A | 550*750*1000 | 230KG |
SBW-KC-50KVA | 50 | 76A | 250KG | |
SBW-KC-80KVA | 80 | 121A | 650*850*1150 | 290G |
SBW-KC-100KVA | 100 | 152A | 300KG | |
SBW-KC-120KVA | 120 | 182A | 320KG | |
SBW-KC-150KVA | 150 | 227A | 730*950*1500 | 480KG |
SBW-KC-180KVA | 180 | 273A | 500KG | |
SBW-KC-200KVA | 200 | 303A | 530KG | |
SBW-KC-225KVA | 225 | 341A | 730*950*1550 | 550KG |
SBW-KC-250KVA | 250 | 379A | 600KG | |
SBW-KC-300KVA | 300 | 455A | 1200*900*1900 | 680KG |
SBW-KC-320KVA | 320 | 486A | 860KG | |
SBW-KC-350KVA | 350 | 530A | 910KG | |
SBW-KC-400KVA | 400 | 608A | 1100KG | |
SBW-KC-450KVA | 450 | 681A | 1200*1000*2000 | 1200KG |
SBW-KC-500KVA | 500 | 760A | 1300KG | |
SBW-KC-600KVA | 600 | 912A | 1050*750*2200双柜 | 1500KG |
SBW-KC-800KVA | 800 | 1216A | 1200*850*2200 1050*850*2200 | 1750KG |
SBW-KC-1000KVA | 1000 | 1519A | 1850KG | |
SBW-KC-1200KVA | 1200 | 1823A | 1950KG | |
SBW-KC-1400KVA | 1400 | 2127A | 1500*1100*2200 1050*1100*2200 | 2310KG |
SBW-KC-1600KVA | 1600 | 2431A | 2450KG | |
SBW-KC-1800KVA | 1800 | 2734A | 2550KG | |
SBW-KC-2000KVA | 2000 | 3038A | 3150KG | |
SBW-KC-2400KVA | 2400 | 3646 | 3480KG | |
三相容量最大可做到3000KVA ;特殊规格请联系我公司技术部确认。 | ||||
此款开采设备专用稳压器可广泛应用于、隧道开采、矿用设备、铁道铺设、野外远程作业、施工等场所。
|
|
手机:13816717555 |
| 固话:021-6360-6000 | |
| 邮箱:sale@shbyq.com | |
地址:上海市嘉定区华亭镇华博路618号 |
